
Nagyfrekvenciás 5,8 GHz ± 75 MHz-es érzékelő mennyezeti lámpatesthez, 220-240 VAC működéssel
Márka:
HAISENCikkszám:
HD01VRendelés (MOQ):
100pcsFizetés:
L/C, T/T, Western UnionTermék eredete:
Chinatanúsítvány:
CE,ROHS,TUV,REDNagyfrekvenciás 5,8 GHz ± 75 MHz-es érzékelő mennyezeti lámpatesthez, 220-240 VAC működéssel
Jellemző:
Specifikáció
Bemenet | Feszültségtartomány | 220~240 V AC 50/60 Hz |
Érzékelő paraméterek | Tartási idő | 5 mp/30 mp/1 perc/5 perc/10 perc/20 perc/30 perc |
Érzékelési terület | 10%/50%/75%/100% | |
Nappali fényérzékelő | 2 Lux/10 Lux/50 Lux/Letiltva | |
Szerelési magasság | Max. 6 m (mennyezetre szerelve) Max. 3 m (falra szerelve) | |
Érzékelési tartomány | Max. ø14m (mennyezetre szerelve) Max. 10m (falra szerelve) | |
Vezeték nélküli paraméterek | Működési frekvencia | 5,8 GHz ±75 MHz |
Funkció | 0N/0FF+fényerőszabályzó funkció | |
Működési környezet | Üzemi hőmérséklet | -20°C~+55°C |
Biztonság és EMC | Tanúsítványkövetelmény | CE, ROHS, TÜV, PIROS |
Mások | Garancia | 5 év |
Telepítés | Lámpák belsejébe szerelve | |
IP-besorolás | IP20 | |
Csomagolási követelmény | Buborékos csomagolás, lapos papír, külső karton. | |
Élet | 50000 óra |
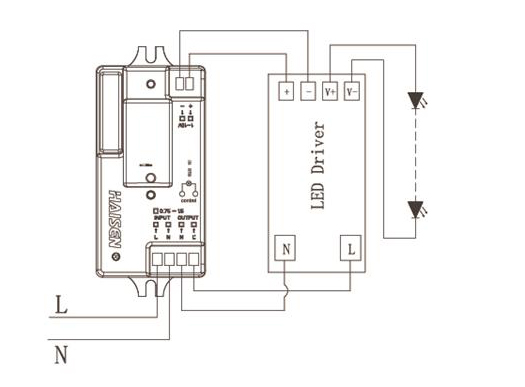
Kapcsolási rajz
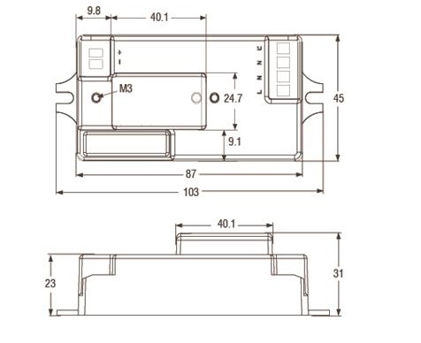
Méret
Észlelési lefedettség
DIP kapcsoló beállítása
Demó
Előző:
120-277VAC működésű, szabályozható fényerejű nappali fényű mikrohullámú mozgásérzékelőKövetkező:
Ultravékony kialakítású mikrohullámú mozgásérzékelő 220-240VAC hárompontos világításhozHa kérdése vagy javaslata van, kérjük, hagyjon nekünk üzenetet, amint tudunk válaszolunk!
Kategóriák
Új termékek
12 V DC IP65 PIR érzékelő nappali fény prioritás funkcióval Bővebben
Cserélhető MW/PIR érzékelő magas- és mélyöböli világításhoz Bővebben
PIR/MW cserélhető érzékelő magas- és mélyöböli világításhoz Bővebben
Rúdantennás mikrohullámú mozgásérzékelő DIP kapcsolóval és be-/kikapcsoló funkcióval, kompakt méretben Bővebben
© Szerzői jog: 2025 Microtionlight Minden jog fenntartva.
IPv6 hálózat támogatott